< 1 ... 3 4 5 6 >

Modern endüstriyel sistemlerde, kesintisiz ve kararlı enerji sağlamak üretim sürekliliği açısından hayati öneme sahiptir. Bu noktada güç kaynakları, elektronik cihazların ve otomasyon sistemlerinin güvenli şekilde beslenmesini sağlayan temel bileşenlerdir. ABB gibi global markaların geliştirdiği endüstriyel güç kaynakları, hem enerji kalitesini korur hem de arıza risklerini en aza indirir. Datech Market, farklı voltaj, akım ve uygulama gereksinimlerine uygun güç kaynaklarını profesyonel çözümlerle sunar.

Güç Kaynağı Nedir?

Güç kaynağı (Power Supply), şebekeden aldığı alternatif akımı (AC), cihazların ihtiyaç duyduğu doğru akıma (DC) dönüştüren elektronik bir bileşendir. Ayrıca çıkış voltajını düzenleyerek sistemlerin sabit enerjiyle çalışmasını sağlar. Endüstriyel ortamlarda güç kaynakları, kontrol panoları, PLC sistemleri, sensörler, haberleşme modülleri ve aydınlatma sistemlerinin ana enerji kaynağıdır.

Güç Kaynaklarının Çalışma Prensibi

Güç kaynakları, AC giriş enerjisini önce doğrultma (rectifier) ve filtreleme devrelerinden geçirir. Ardından regülasyon devresi, çıkış gerilimini sabit bir değerde tutar. Bazı modeller, enerji kesintilerinde kısa süreli yedekleme sağlayan kondansatör veya batarya destekli yapıya sahiptir. Bu sayede bağlı cihazlar, voltaj dalgalanmalarından veya ani kesintilerden etkilenmeden çalışmaya devam eder.

Güç Kaynaklarının Türleri

Endüstride kullanılan güç kaynakları, kullanım amacına ve çıkış karakteristiğine göre çeşitli kategorilere ayrılır:

  • Lineer Güç Kaynakları: Basit devre yapısıyla düşük gürültü ve yüksek kararlılık sağlar, hassas elektronik sistemlerde tercih edilir.
  • Switch Mode (Anahtarlamalı) Güç Kaynakları: Yüksek verimlilik ve kompakt yapı sunar, endüstriyel otomasyon sistemlerinde yaygın kullanılır.
  • Yedeklemeli Güç Kaynakları (UPS Destekli): Şebeke kesintilerinde kısa süreli enerji sağlayarak sistemin güvenli kapanmasını sağlar.
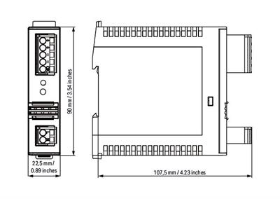
  • DIN Ray Tipi Güç Kaynakları: Panolarda modüler kullanım için tasarlanmış kompakt modellerdir.
  • Programlanabilir Güç Kaynakları: Laboratuvar ve test uygulamalarında çıkış voltajı ve akımı hassas şekilde ayarlanabilir.

ABB Endüstriyel Güç Kaynakları

ABB, endüstriyel otomasyon sistemlerinde güvenilir enerji sağlamak amacıyla geliştirdiği güç kaynaklarıyla sektörde fark yaratmaktadır. ABB’nin CP-E, CP-S ve CP-C serileri, yüksek verimlilik, uzun ömür ve güvenilirlik açısından dünya standartlarını belirler.

ABB Güç Kaynaklarının Öne Çıkan Özellikleri

  • Geniş Giriş Gerilim Aralığı: 85–264 V AC veya 90–375 V DC giriş desteği.
  • Yüksek Verimlilik: %94’e varan enerji dönüşüm oranı.
  • DIN Ray Montaj: Kompakt yapı, hızlı montaj imkânı.
  • Kısa Devre ve Aşırı Akım Koruması: Çıkış devresini güvenli tutar.
  • Isıl Koruma: Aşırı sıcaklık durumunda otomatik koruma devreye girer.
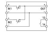
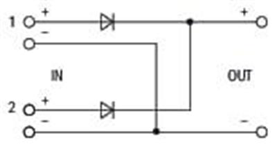
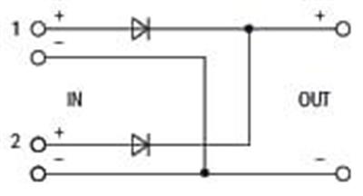
  • Paralel Bağlantı Desteği: Yük paylaşımıyla güç kapasitesi artırılabilir.
  • LED Durum Göstergesi: Çıkış durumu ve arıza bildirimleri için görsel uyarı.

ABB Güç Kaynağı Serileri

CP-E Serisi

ABB’nin CP-E serisi, kompakt DIN ray montajlı ve genel endüstriyel kullanım için optimize edilmiş güç kaynaklarıdır. Çok yönlü giriş gerilimi desteği ve güvenilir performansıyla kontrol panoları ve otomasyon uygulamaları için idealdir.

CP-S Serisi

CP-S serisi güç kaynakları, yüksek verimlilik gerektiren uygulamalarda enerji optimizasyonu sağlar. Geniş sıcaklık aralığı ve düşük ısı yayılımı sayesinde zorlu ortam koşullarında kararlı çalışır.

CP-C Serisi

CP-C serisi, yüksek güç gerektiren sistemlerde güvenli enerji sağlayan profesyonel çözümler sunar. Yedekleme modülleri ve izleme aksesuarlarıyla entegre edilebilir yapıdadır.

ABB Güç Kaynaklarında Kullanılan Koruma Teknolojileri

ABB güç kaynakları, gelişmiş koruma teknolojileriyle donatılmıştır:

  • Aşırı Yük Koruması: Belirlenen akım sınırı aşıldığında çıkışı keser.
  • Kısa Devre Koruması: Sistem bileşenlerini elektriksel arızalara karşı korur.
  • Gerilim Düşümü Uyarısı: Voltaj seviyesi güvenli sınırın altına indiğinde alarm üretir.
  • Termal Koruma: Yüksek sıcaklıkta otomatik kapanma sağlar.

Güç Kaynaklarının Kullanım Alanları

ABB güç kaynakları, geniş bir uygulama yelpazesinde kullanılabilir:

  • Otomasyon panoları
  • PLC ve kontrol sistemleri
  • Endüstriyel robotlar
  • Aydınlatma sistemleri
  • Alarm ve güvenlik sistemleri
  • Telekom altyapıları
  • Laboratuvar ve test ekipmanları

Güç Kaynağı Seçiminde Dikkat Edilmesi Gerekenler

  • Uygulamanın nominal voltaj ve akım değerine uygun güç kaynağı seçilmelidir.
  • Çıkış gücü, bağlı yüklerin toplam tüketiminden %20 daha yüksek olmalıdır.
  • Ortam sıcaklığı, soğutma tipi ve montaj şekli dikkate alınmalıdır.
  • Kısa devre ve aşırı yük koruması standart olarak bulunmalıdır.
  • Yedekleme gerektiren sistemlerde UPS destekli modeller tercih edilmelidir.

Enerji Verimliliği ve Sürdürülebilirlik

Modern güç kaynakları yalnızca güvenli enerji sağlamakla kalmaz, aynı zamanda enerji tasarrufu da sunar. ABB’nin yüksek verimli güç kaynakları, düşük ısı kaybı ve optimize edilmiş bekleme tüketimi sayesinde karbon ayak izini azaltır. Bu sayede hem çevre dostu hem de ekonomik bir enerji yönetimi mümkün hale gelir.

ABB Güç Kaynaklarının Sağladığı Avantajlar

  • Yüksek güvenilirlik: Uzun ömürlü bileşenler ve test edilmiş kalite standartları.
  • Kolay montaj: DIN ray uyumlu kompakt yapı.
  • Enerji verimliliği: %94’e varan dönüşüm oranı.
  • Gelişmiş koruma: Kısa devre, aşırı gerilim ve sıcaklık sensörleri.
  • Esnek kullanım: Farklı endüstriyel uygulamalara uygun model çeşitliliği.

Güç Kaynaklarının Geleceği

Endüstri 4.0 ve dijital dönüşümle birlikte güç kaynakları da akıllı hale gelmektedir. IoT destekli güç kaynakları, uzaktan izleme ve arıza teşhisi özellikleriyle bakım süreçlerini kolaylaştırır. ABB’nin yeni nesil güç kaynakları, “Smart Power” konseptiyle enerji kalitesini izleyip otomatik dengeleme yapabilir hale gelmiştir. Bu da üretim hatlarında kesintisiz enerji sürekliliğini garanti eder.

cultureSettings.RegionId: 0 cultureSettings.LanguageCode: TR
Çerez Kullanımı

Sizlere en iyi alışveriş deneyimini sunabilmek adına sitemizde çerezler(cookies) kullanmaktayız. Detaylı bilgi için Kvkk sözleşmesini inceleyebilirsiniz.