< 1 2 3 4 5 6 ... 16 >

Endüstriyel otomasyon sistemlerinde, elektriksel devrelerin güvenli ve kontrollü şekilde yönetilmesini sağlayan temel bileşenlerden biri röledir. Röleler, düşük akımlı bir sinyal ile yüksek akım devrelerini kontrol etmeye yarayan elektromekanik veya yarı iletken anahtarlama elemanlarıdır. ABB gibi global üreticiler, farklı uygulama alanlarına uygun röle serileriyle enerji, otomasyon, bina yönetimi ve makine sistemlerinde güvenilir çözümler sunar. Datech Market ise ABB röle çözümlerini en uygun fiyatlarla ve teknik destekle müşterilerine ulaştırır.

Röle Nedir ve Nasıl Çalışır?

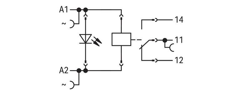
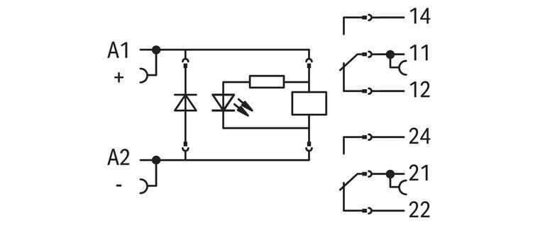
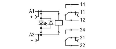
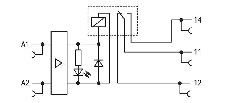
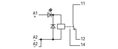
Röle, düşük güçlü bir kontrol sinyalinin etkisiyle yüksek güçlü bir elektrik devresini açıp kapatan bir kontrol elemanıdır. Bir bobin (coil), bir veya birden fazla kontak (açık veya kapalı devre) ve mekanik bir anahtarlama mekanizmasından oluşur. Bobin enerjilendiğinde manyetik alan oluşturur, bu alan kontağı hareket ettirerek devreyi açar veya kapatır. Enerji kesildiğinde kontaklar eski konumuna döner.

Rölelerin Temel Bileşenleri

  • Bobin: Rölenin çalışmasını sağlayan elektromanyetik sargıdır.
  • Kontaklar: Devreyi açıp kapatan mekanik parçalardır (NO – normalde açık, NC – normalde kapalı).
  • Yay Mekanizması: Enerji kesildiğinde kontağı başlangıç konumuna getirir.
  • Gövdü: Yalıtkan malzemeden üretilmiş koruyucu yapı.
  • Terminal Bağlantıları: Giriş (bobin) ve çıkış (kontak) bağlantı noktalarıdır.

Röle Çeşitleri

Röleler, kullanım amacına, akım türüne, yapı tipine ve işlevine göre farklı sınıflara ayrılır.

  • Elektromekanik Röleler: Geleneksel tip rölelerdir, mekanik hareketle anahtarlama yaparlar.
  • Solid State Röleler (SSR): Mekanik parça içermez, yarı iletken teknolojisiyle sessiz ve hızlı çalışır.
  • Zaman Röleleri: Gecikmeli açma veya kapama işlemleri için kullanılır.
  • Termik Röleler: Motor aşırı yüklerini tespit ederek devreyi korur.
  • Kontrol Röleleri: Endüstriyel otomasyon sistemlerinde lojik kontrol sağlar.
  • Koruma Röleleri: Gerilim, akım veya faz dengesizliklerine karşı sistem koruması sunar.

Rölelerin Kullanım Alanları

Röleler, elektriksel kontrol gerektiren hemen her alanda kullanılır. Endüstriyel otomasyondan bina yönetimine, enerji dağıtımından makine güvenliğine kadar geniş bir yelpazede uygulama bulur.

  • Motor kontrol sistemleri
  • PLC otomasyon panoları
  • Aydınlatma ve enerji yönetimi
  • Güvenlik ve alarm sistemleri
  • HVAC kontrolü
  • Elektrik panoları ve koruma devreleri

ABB Röle Serileri

ABB, farklı uygulamalara özel olarak tasarlanmış geniş bir röle ürün gamına sahiptir. Bu seriler, endüstriyel standartlara uygun, uzun ömürlü ve yüksek hassasiyetli yapılarıyla öne çıkar.

  • CR-P Serisi: Genel amaçlı elektromekanik rölelerdir, yüksek dayanıklılık ve kompakt tasarım sunar.
  • CR-M Serisi: Mini röleler, kontrol panolarında yer tasarrufu sağlar.
  • ESB Serisi: Bina otomasyonu ve HVAC sistemlerinde kullanılır.
  • EF Serisi: Endüstriyel kontaktörlerle uyumlu, yüksek akım anahtarlama röleleri.
  • TF Serisi: Termik koruma röleleri, motorları aşırı akımdan korur.
  • CM Serisi: Gerilim, akım, faz ve frekans kontrolü sağlayan ölçüm röleleri.

ABB Rölelerinin Öne Çıkan Özellikleri

  • Yüksek dayanıklılık: 10 milyon anahtarlama ömrüne kadar uzun kullanım süresi.
  • Kompakt tasarım: DIN ray montajına uygun yapılar.
  • Geniş gerilim aralığı: 12V DC’den 230V AC’ye kadar çalışma.
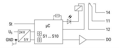
  • LED gösterge: Bobin enerjilendiğinde durum göstergesi.
  • Yüksek izolasyon direnci: Elektriksel güvenlik standardı IEC 61810 uyumluluğu.

ABB Rölelerde Kullanılan Koruma Teknolojileri

ABB röleleri, hem elektriksel hem de mekanik güvenlik açısından gelişmiş koruma teknolojileriyle donatılmıştır:

  • Aşırı gerilim koruması
  • Bobin ters polarite koruması (DC modellerde)
  • Kısa devre dayanımı
  • Geniş sıcaklık çalışma aralığı (-40°C ila +70°C)
  • Dielektrik dayanım ≥ 2.5 kV

Solid State Röle (SSR) Avantajları

ABB’nin solid-state röleleri, mekanik kontak yerine yarı iletken teknolojisi kullanır. Bu yapı, yüksek hızda ve sessiz anahtarlama sağlar. Ayrıca, titreşim ve mekanik aşınma riskini ortadan kaldırarak bakım gereksinimini azaltır.

  • Yüksek anahtarlama hızı: Mekanik rölelere göre 10 kat daha hızlıdır.
  • Gürültüsüz çalışma: Sessiz ortam gerektiren uygulamalarda idealdir.
  • Uzun ömür: Temassız anahtarlama yapısı sayesinde milyonlarca çevrim ömrü.
  • Düşük enerji kaybı: Isınmayı minimize eden yarı iletken yapı.

Röle Seçiminde Dikkat Edilmesi Gerekenler

  • Uygulamanın çalışma gerilimine uygun bobin tipi seçilmelidir.
  • Kontak akım kapasitesi, bağlı yükün akımına göre belirlenmelidir.
  • Çalışma frekansı ve ortam sıcaklığı dikkate alınmalıdır.
  • Yük tipi (rezistif, endüktif, kapasitif) seçimde önemlidir.
  • Parazit bastırma devresi (snubber) gerekiyorsa opsiyonel modül tercih edilmelidir.

ABB Rölelerinin Kullanım Avantajları

  • Güvenilir performans: Endüstriyel ortamlarda uzun ömürlü çalışma.
  • Enerji verimliliği: Düşük bobin tüketimi.
  • Kolay montaj: DIN ray ve soketli bağlantı imkânı.
  • Geniş ürün yelpazesi: Kontrol, zaman, termik ve ölçüm röleleri.
  • Yüksek koruma standardı: IEC, UL, CE sertifikalarına tam uyum.

Rölelerin Geleceği ve Akıllı Sistemlerle Entegrasyonu

Gelişen otomasyon teknolojileriyle birlikte röleler de akıllı hale gelmektedir. Yeni nesil akıllı röleler, enerji izleme, durum raporlama ve uzaktan kontrol özellikleriyle donatılmıştır. ABB’nin CM Smart Relay çözümleri, IoT tabanlı sistemlerle entegre çalışarak üretim hatlarını daha güvenli ve verimli hale getirir. Bu sayede bakım süreçleri optimize edilir, arızalar önceden tespit edilir ve sistem kesintisiz çalışır.

cultureSettings.RegionId: 0 cultureSettings.LanguageCode: TR
Çerez Kullanımı

Sizlere en iyi alışveriş deneyimini sunabilmek adına sitemizde çerezler(cookies) kullanmaktayız. Detaylı bilgi için Kvkk sözleşmesini inceleyebilirsiniz.