PLC
Stok Bilgisi Alınız
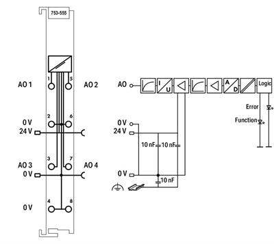
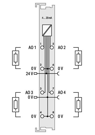
753-555
€320,00 + KDV
€800,00 + KDV
%60 İndirim
%60İndirim
Ücretsiz Kargo
< 1 ... 6 7 8

Endüstriyel tesislerde sıcaklık, üretim kalitesini, güvenliği ve enerji verimliliğini doğrudan etkileyen en önemli parametrelerden biridir. Bu nedenle sıcaklık değerlerinin doğru bir şekilde ölçülmesi, izlenmesi ve kontrol edilmesi kritik bir gerekliliktir. Bu işlemi gerçekleştiren cihazlar sıcaklık göstergeleri olarak adlandırılır. ABB gibi dünya çapında güvenilir markalar, endüstriyel standartlara uygun, hassas ve dayanıklı sıcaklık gösterge sistemleri sunar. Datech Market ise ABB sıcaklık göstergelerini mühendislik desteğiyle birlikte kullanıcılarına ulaştırır.

Sıcaklık Göstergesi Nedir?

Sıcaklık göstergesi, sensörlerden (örneğin termokupl veya Pt100) gelen sıcaklık verilerini ölçen ve kullanıcıya dijital veya analog olarak gösteren cihazlardır. Bu göstergeler, üretim hatlarında, proses kontrol sistemlerinde ve enerji tesislerinde sıcaklık değerlerinin anlık takibini sağlar. Bazı modeller, alarm fonksiyonları ve röle çıkışlarıyla belirli sıcaklık limitlerini aşan durumlarda sistemi otomatik olarak uyarabilir.

Sıcaklık Göstergesinin Çalışma Prensibi

Bir sıcaklık göstergesi, sensör üzerinden gelen elektriksel sinyali (genellikle direnç veya milivolt değişimi) alır. Cihaz içindeki dönüştürücü devre, bu sinyali sıcaklık değerine çevirir ve ekranda görüntüler. Bazı modeller, ölçülen değeri aynı anda kontrol sistemine (örneğin PLC veya HMI) de aktarabilir.

Sıcaklık Göstergelerinin Temel Bileşenleri

  • Sensör Girişi: Termokupl veya Pt100 gibi sıcaklık algılayıcılardan sinyal alır.
  • Dijital Ekran: Ölçülen sıcaklık değerini °C veya °F biriminde gösterir.
  • Kontrol Rölesi: Limit değer aşıldığında alarm veya kontrol çıkışı üretir.
  • Güç Girişi: 24V DC veya 230V AC besleme seçenekleriyle çalışır.
  • Montaj Ünitesi: Panel tipi veya DIN ray bağlantı seçeneği sunar.

Sıcaklık Göstergesi Türleri

Endüstride kullanılan sıcaklık göstergeleri, uygulama türüne ve ölçüm hassasiyetine göre çeşitli kategorilere ayrılır:

  • Dijital Sıcaklık Göstergeleri: Net LED ekranlı, hassas ve çok fonksiyonlu modellerdir.
  • Analog Sıcaklık Göstergeleri: Geleneksel iğneli veya göstergeli tasarımlar, saha uygulamalarında tercih edilir.
  • Kontrollü Sıcaklık Göstergeleri: Belirlenen sıcaklık aralığına göre ısıtıcı veya soğutucu cihazları kontrol edebilir.
  • Çok Kanallı Göstergeler: Aynı anda birden fazla sıcaklık noktasını izleyebilir.

ABB Sıcaklık Gösterge Çözümleri

ABB, endüstriyel sıcaklık ölçüm ve izleme ihtiyaçları için yüksek hassasiyetli gösterge cihazları geliştirmiştir. Bu cihazlar, kompakt tasarımları, geniş giriş desteği ve güvenilir ölçüm kabiliyetleriyle öne çıkar.

  • CM-TCS Serisi: Termokupl ve Pt100 giriş uyumluluğu, geniş ölçüm aralığı ve alarm çıkışları.
  • CC-E Serisi: Panel tipi dijital göstergeler, DIN standardına uygun yapı ve LED ekran.
  • CM-UFD Serisi: Çok kanallı sıcaklık izleme ve hata tespiti özellikleri.

ABB Sıcaklık Göstergelerinin Öne Çıkan Özellikleri

  • Geniş Ölçüm Aralığı: -200°C ile +1200°C arasında ölçüm imkânı.
  • Yüksek Hassasiyet: ±%0.1 doğruluk oranı.
  • Röle Çıkışları: Aşırı ısı veya düşük sıcaklık durumunda alarm veya kontrol fonksiyonu.
  • LED Göstergesi: Net ve parlak dijital ekran.
  • Panel Tipi Montaj: 48x48 veya 96x48 mm standart boyutlar.
  • Galvanik İzolasyon: Giriş ve çıkış devreleri arasında elektriksel koruma.
  • IP65 Koruma: Toz ve nemli ortamlarda güvenli kullanım.

Sıcaklık Göstergelerinin Kullanım Alanları

ABB sıcaklık göstergeleri, endüstriyel otomasyon ve enerji izleme alanlarında geniş bir uygulama yelpazesine sahiptir:

  • Üretim hatları: Fırın, pres veya kaynak makinelerinde sıcaklık takibi.
  • Gıda endüstrisi: Pişirme, pastörizasyon ve soğutma süreçlerinin kontrolü.
  • HVAC sistemleri: Isıtma, havalandırma ve iklimlendirme kontrolü.
  • Petrokimya tesisleri: Reaktör sıcaklığı izleme.
  • Enerji üretimi: Türbin, jeneratör ve transformatör izleme.
  • Su arıtma tesisleri: Proses sıcaklığının kontrolü.

Sıcaklık Göstergesi Kullanmanın Avantajları

  • Gerçek zamanlı izleme: Süreçlerdeki sıcaklık değişimlerini anlık takip.
  • Yüksek doğruluk: Hatalı ölçümleri minimize ederek proses kalitesini artırır.
  • Alarm güvenliği: Limit aşımlarında operatörü veya sistemi otomatik uyarır.
  • Enerji tasarrufu: Optimum sıcaklık kontrolüyle enerji verimliliği sağlar.
  • Uzun ömür: Endüstriyel ortamlara dayanıklı yapı ve elektronik bileşenler.

ABB Sıcaklık Göstergelerinde Güvenlik ve Kalite

ABB sıcaklık göstergeleri, uluslararası güvenlik standartlarına (IEC, CE, UL) tam uyumludur. Yüksek izolasyon değerleri sayesinde sistem bileşenlerini elektriksel risklerden korur. Ayrıca otomatik kalibrasyon özelliği, ölçüm hassasiyetini uzun süre boyunca korur.

Sıcaklık Göstergesi Seçiminde Dikkat Edilmesi Gerekenler

  • Kullanılacak sensör tipi (Pt100, K, J, T termokupl) ile uyumluluk kontrol edilmelidir.
  • Çalışma sıcaklık aralığı uygulamaya uygun olmalıdır.
  • Montaj tipi (panel veya saha tipi) doğru belirlenmelidir.
  • Alarm veya kontrol çıkışı gereksinimi dikkate alınmalıdır.
  • Güç kaynağı (AC/DC) sistemiyle uyumlu olmalıdır.

ABB Sıcaklık Göstergelerinin Sağladığı Faydalar

  • Kesintisiz ölçüm: 7/24 izleme gerektiren proseslerde güvenilir performans.
  • Kolay kullanım: Sezgisel menü yapısı ve basit parametre ayarları.
  • Yüksek görünürlük: Parlak dijital ekran, düşük ışıkta dahi okunabilirlik.
  • Modüler entegrasyon: PLC, HMI veya SCADA sistemlerine doğrudan bağlantı.
  • Uzun servis ömrü: Endüstriyel sınıf komponentler ve güçlü izolasyon devreleri.

Sıcaklık Ölçüm Teknolojilerinin Geleceği

Endüstri 4.0 döneminde sıcaklık göstergeleri yalnızca ölçüm cihazları olmaktan çıkmıştır. Yeni nesil akıllı sıcaklık göstergeleri, IoT ve bulut tabanlı sistemlerle entegre çalışarak sıcaklık verilerini uzaktan izleme ve analiz etme imkânı sağlar. ABB’nin akıllı izleme çözümleri, bu teknolojileri endüstriyel ölçüm altyapısına entegre ederek işletmelerin enerji verimliliğini ve üretim kalitesini maksimize eder.

cultureSettings.RegionId: 0 cultureSettings.LanguageCode: TR
Çerez Kullanımı

Sizlere en iyi alışveriş deneyimini sunabilmek adına sitemizde çerezler(cookies) kullanmaktayız. Detaylı bilgi için Kvkk sözleşmesini inceleyebilirsiniz.