PLC
Stok Bilgisi Alınız
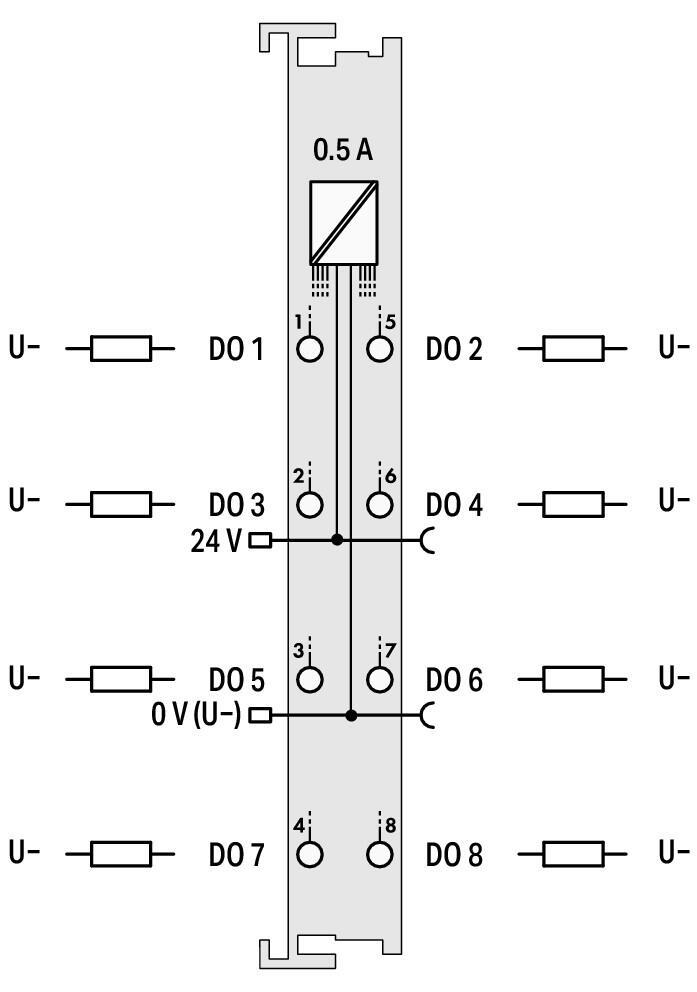
750-425
€69,84 + KDV
€174,60 + KDV
%60 İndirim
%60İndirim
cultureSettings.RegionId: 0 cultureSettings.LanguageCode: TR
Çerez Kullanımı

Sizlere en iyi alışveriş deneyimini sunabilmek adına sitemizde çerezler(cookies) kullanmaktayız. Detaylı bilgi için Kvkk sözleşmesini inceleyebilirsiniz.